전기전자/PLC
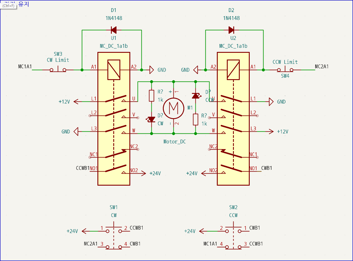
DC 모터 정역 자기유지 회로
Simulz™
2023. 9. 22. 14:29
반응형
10A 이하의 모터를 사용하면 3P, 4P 소형 릴레이를 사용해도 되나, 10~400A 전류는 MC를 사용한다. 파워릴레이는 대부분 1P뿐이다.
모터에 따라 기동 전류 제한, 정역 지연, 회생제동 또는 다이내믹 제동, 역기전력 보호 회로는 별도 구성 필요하다.
1a1b 푸시 버튼을 사용하지 못하면 정지 버튼을 별도로 사용해야 한다. 총 3개 버튼.
전자 회로

SW1 버튼을 누르면 MC2가 꺼지고 MC1이 켜지며 모터가 정회전 한다. 버튼을 떼어도 동작을 유지한다.
SW2 버튼을 누르면 MC2가 꺼지고 MC1이 켜지며 모터가 역회전한다. 버튼을 떼어도 동작을 유지한다.
리밋 스위치가 동작하면 MC가 꺼진다.
PLC 래더

반응형